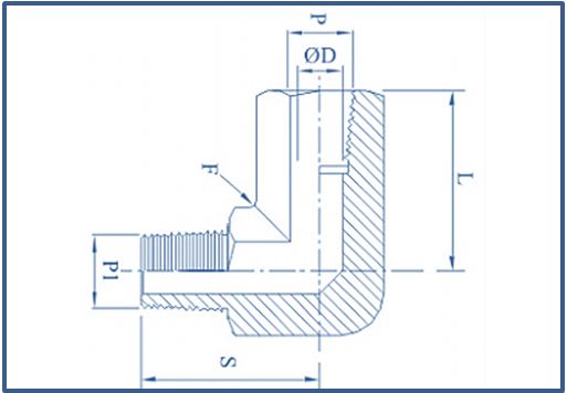
ELBOW/1OK MALE - FEMALE
ELBOW 1OK MALE-FEMALE
FAV is the manufacturer of High Pressure ELBOW/1OK MALE - FEMALE 10000 psi , 700 Bars. It has NPT Male Connection on one side and NPT Female Connection on the other side with shape of elbow (L shape)
Standard Material for Elbow,10000 psi is SS 316 but is also available in Carbon Steel, Brass, Hastelloy , Inconel alloys , Monel alloys , Titanium , Super Duplex & Duplex .
Common sizes are 1/4" NPT Male X 3/8" NPT Female , 3/8" NPT Male X 1/2" NPT Female , 1/2" NPT Male X 1/4" NPT Female.
High Pressure Fittings are used in almost all industrial applications where threaded connections are involved . It also used in Hydro testing setup .
| PART No. | P/P1 NPT-MF | L | S | C |
| FHPF/10K/MFE/2I | 1/8" | 0.82" | 0.76" | 0.75" |
| FHPF/10K/MFE/4I | 1/4" | 1.06" | 1.00" | 1.00" |
| FHPF/10K/MFE/6I | 3/8" | 1.20" | 1.06" | 1.25" |
| FHPF/10K/MFE/8I | 1/2" | 1.59" | 1.25" | 1.50" |




