Heavy Series Tube Clamps are normally used for support piping system in high pressure applications with working pressure range of Pipe - Tube clamps goes Between 1500 PSI ( 100 BAR) to 8000 psi (600 BAR)
Pipes of Steel, Stainless Steel, Exotic Materials like Monel, Hastelloy, Inconel, Titanium can be used.
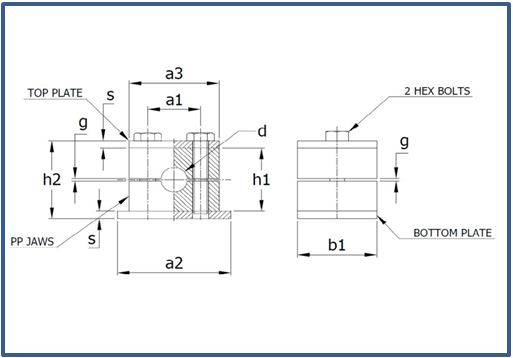
Heavy Series Tube Clamp are available in Multilayer, Welding Plates, Rail Nuts, Construction Types, Rubber inlay types and many other designs. Steel Components undergo trivalent coating for anti-corrosive measure , better performance and Smooth Finishing
| DIN /GROUP | PIPE OD-DØ | B | A | C | T | H | S | W |
| 0 | 6 | 30 | 28 | - | 3 | 33 | 0.6 MIN | 30 |
| 6.4 | ||||||||
| 8 | ||||||||
| 9.5 | ||||||||
| 10 | ||||||||
| 12 | ||||||||
| 1 | 6 | 48 | 42 | 26 | 3 | 39 | 0.6 MIN | 30 |
| 6.4 | ||||||||
| 8 | ||||||||
| 9.5 | ||||||||
| 10 | ||||||||
| 12 | ||||||||
| 2 | 12.7 | 48 | 42 | 26 | 3 | 39 | 0.6 MIN | 30 |
| 13.5 | ||||||||
| 14 | ||||||||
| 15 | ||||||||
| 16 | ||||||||
| 17.2 | ||||||||
| 18 | ||||||||
| 3 | 19 | 56 | 50 | 33 | 3 | 42 | O.6 MIN | 30 |
| 20 | ||||||||
| 21.3 | ||||||||
| 22 | ||||||||
| 25 | ||||||||
| 4 | 26.9 | 65 | 59 | 40 | 3 | 48 | 0.6 MIN | 30 |
| 28 | ||||||||
| 30 | ||||||||
| 5 | 32 | 77 | 71 | 52 | 3 | 64 | 0.8 MIN | 30 |
| 33.7 | ||||||||
| 35 | ||||||||
| 38 | ||||||||
| 40 | ||||||||
| 42 | ||||||||
| 6 | 44.5 | 92 | 86 | 66 | 3 | 72 | 0.8 MIN | 30 |
| 48.3 | ||||||||
| 50.8 |
Some Common Sizes for Heavy Series Tube Clamp are
FAV Tube Clamps, PP Body, CS Top Plate, Bottom Plate and Hex Bolt 1/4" single hole, Heavy series
FAV Tube Clamps, PP Body, CS Top Plate, Bottom Plate and Hex Bolt 3/8" single hole, Heavy series
FAV Tube Clamps, PP Body, CS Top Plate, Bottom Plate and Hex Bolt 1/2" single hole, Heavy series
FAV Tube Clamps, PP Body, CS Top Plate, Bottom Plate and Hex Bolt 3/4" single hole, Heavy series
FAV Tube Clamps, PP Body, CS Top Plate, Bottom Plate and Hex Bolt 1" single hole, Heavy series
FAV Tube Clamps, PP Body, CS Top Plate, Bottom Plate and Hex Bolt 6mm single hole, Heavy series
FAV Tube Clamps, PP Body, CS Top Plate, Bottom Plate and Hex Bolt 8mm single hole, Heavy series
FAV Tube Clamps, PP Body, CS Top Plate, Bottom Plate and Hex Bolt 10mm single hole, Heavy series
FAV Tube Clamps, PP Body, CS Top Plate, Bottom Plate and Hex Bolt 12mm single hole, Heavy series
FAV Tube Clamps, PP Body, CS Top Plate, Bottom Plate and Hex Bolt 14mm single hole, Heavy series

